Description
Characteristics:
● Level converter
● Transmission frequency 1MHz
● Output 3 x RS422
● Potential isolation input/output
● Each channel is indicated by 1 LED
● Fast switching times
● Supply 24VDC
● Mountable on 35mm cap rail TS35
● Clear terminal labeling
● Narrow design
● Shape 17,5mm, super low
● PB – Power-Bus – compatible
● High reliability, 5 years warranty
Description:
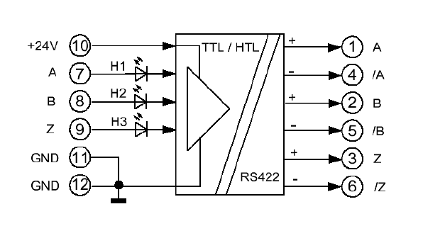
The units of the signal converter series SU4 have been developed for level converting. There are three
channels at disposal 5V (TTL) or 24V (HTL) are converted into RS422 impulses. The units are potential
isolated between input and output. The switch conditions are indicated by LED’s in each output.
Application:
Signal conversion 5VDC (TTL) / 24VDC (HTL) into RS422
Order-No.:
Input:
SU4-1 24VDC (HTL)
SU4-2 5VDC (TTL)


Technical data
Auxiliary power
Supply voltage : 19, 2…30VDC
Current consumption : < 1,5VA + load
Inputs:
SU4-1 : 18…30VDC, 2, 8…6,5mA
SU4-2 : 3, 5…6,5VDC, 0, 5…1mA
Switch level: Low High
SU4-1 <5V >18V
SU4-2 < 1V > 3,5V
Outputs:
RS422 : 3 channels
Transmission-Frequency : 1MHz
Signal running time : ON <125ns OFF <75ns
Termination resistor : Not included, 120Ω
General data:
Operating temperature : 0…50°C
Storage temperature : -25…+85°C, condensation before putting into operation is not allowed
Electrical isolation : Input / power supply – output
MTBF : 125 years Mean Time Between Failures compliant with EN 61709 (SN 29500).
CE conformity : EN 61326-1, EN 61000-4-2/3*/4/5/6*, EN 61000-6-4
* during measurements are small deviations possible
Body:
Dimension : Cf. drawing, 17,5mm adjoin body, 17,5×70,4×90,5mm (with terminals)
Material : PA / V0
Protection category : IP20
Connection : M3-screw-type terminal 0, 14 – 2,5mm², flexible or inflexible
Fixing : Snap-on mounting for norm rail TS35
Weight : 64g
Mounting position : As you like
Note on safety:
Disconnect the power supply before attempting to open the unit.
During the operation of this module it is possible that parts of the module, even there is extra-low voltage, (for example shunt measurement) are under dangerous voltage! Therefore a non-observance of this caution may cause damage of property or physical injury.
Only trained qualified personnel should install or operate the unit. Before installation the qualified personnel should read the documentation and should familiarize themselves with the unit.
If there is visible damage to the body of the unit it should be immediately replaced and not put into operation.
Please ensure that there is a sufficient prevention against electrostatic discharge during installation of the unit.
Installation Information:
Pay attention and make sure the unit is far away from mounted sources that may disturb the device such as magnetic coils, transformers, frequency converters etc.
Wiring advise:
Use only shielded cables. The shield is to be connected extensively to ground. Do not mix power- and signal-wires/cables in the same cable tray.
Limited warranty:
The LEG Industrie-Elektronik GmbH warranted that the product does not have any material or processing defects in a period of 5 years after date of delivery.
It is up to the choice of LEG to repair or to exchange an inoperative unit.
Subsequent damages or any claim for indemnification above the functionality of the unit are excluded. This limited warranty is only valid if …
- the product was installed and put into operation according to the LEG operation documentation;
- the technical configuration of the power supply was abided;
- the product was not used for unintended purposes;
- there were no unauthorized modifications or manipulations, misuse or repairs without previous agreement from LEG .
Our Terms of Trade are based on the “General Conditions for the supply of products and services of the Electrical and Electronics Industry” including the “Complementary Clause: Extended Reservation of Property” of the ZVEI e.V. (German Association of Electrical Manufacturers).
Miscellaneous:
We expressly reserve the right, without previous notice, to correct errors contained in any data of this information brochure, and to make alterations to the program and technical modifications.


Reviews
There are no reviews yet.